Search by VIN
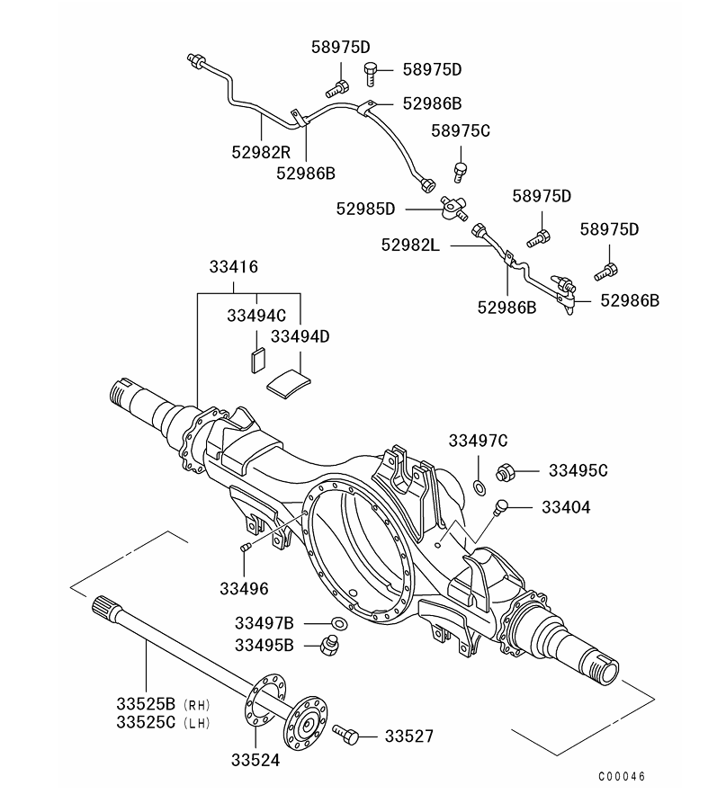
BOLT,FWD RR AXLE BRAKE TUBE
CLIP,FWD RR AXLE BRAKE TUBE
TUBE,FWD RR AXLE BRAKE,RH
JOINT,FWD RR AXLE BRAKE TUBE
TUBE,FWD RR AXLE BRAKE,LH
HOUSING,FWD RR AXLE
PLATE,FWD RR AXLE HOUSING
GASKET,FWD RR AXLE HOUSING
PLUG,FWD RR AXLE HOUSING
BREATHER,FWD RR AXLE HOUSING
PIN,FWD RR AXLE HOUSING
SHAFT,FWD RR AXLE
BOLT,FWD RR AXLE SHAFT
GASKET,FWD RR AXLE SHAFT
Part berhasil ditambahkan ke Wishlist
PNC:
Part Number:
Part Name:
Stock
Year
Remarks
Substitute
Subtitute Parts:
Harga: