Search by VIN
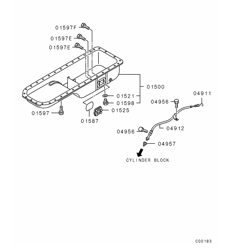
BOLT,ENG OIL PAN
OIL PAN,ENG
GAUGE,ENG OIL LEVEL
GASKET,ENG OIL PAN DRAIN PLUG
PLUG,ENG OIL PAN
BOLT,ENG OIL FILLER
RETAINER,ENG OIL PAN OIL LEVEL SENSOR
O-RING,ENG OIL PAN
GUIDE,ENG OIL LEVEL GAUGE
BUSHING,ENG OIL FILLER
Part berhasil ditambahkan ke Wishlist
PNC:
Part Number:
Part Name:
Stock
Year
Remarks
Substitute
Subtitute Parts:
Harga: